
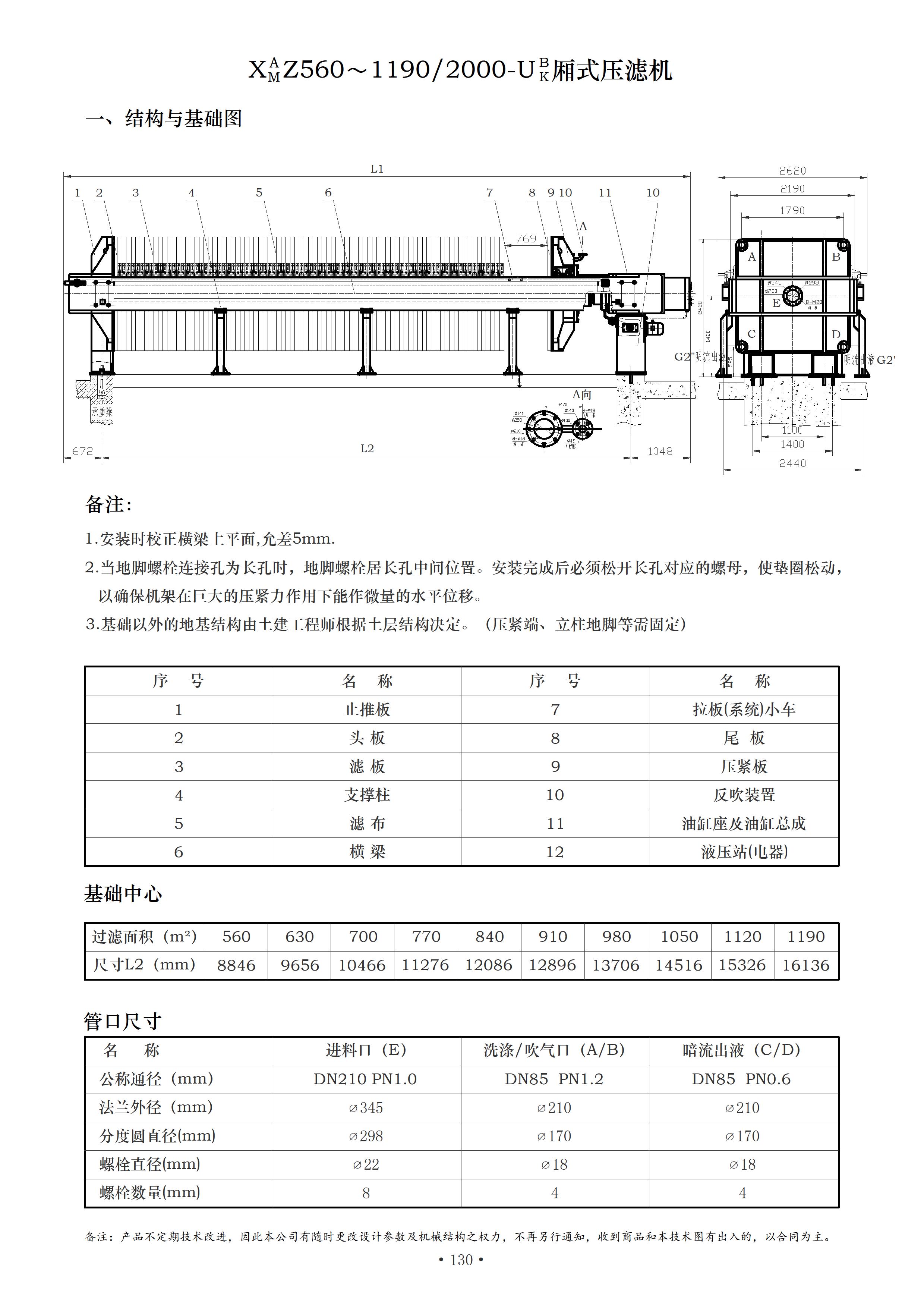
廂式、板框式樱桃视频香蕉是懸浮液固、液兩相分離的理想設備。該係列樱桃视频香蕉為液壓壓緊,自動保壓型。濾板尺寸2000×2000,為提高工作效率,改善進料狀況。大型樱桃视频香蕉除常規的止推板處裝有進、出液管接法蘭外,還在壓緊板處備有相應的接口。用戶可分別從兩端接口進料、出液、進洗滌水等,改善濾渣質量。該係列樱桃视频香蕉主要規格有: XAMY/Z(G) 700~1190/ 2000-UBK;該係列樱桃视频香蕉為機、電、液分體式。整機的運作可手動操作,亦可根據用戶要求:由PLC 程序控製器實現全程循環自動操作。根據用戶的意願,機器還可配裝濾板移動裝置、濾布懸掛裝置或濾板高懸梁懸掛裝置。自動完成逐塊拉板和卸渣工作。樱桃视频香蕉有明流、暗流之分,它們各自又有濾餅的可洗式和不可洗式。如需獲得略幹的濾餅,可向樱桃视频香蕉通入幹燥的壓縮空氣吹壓,將濾餅中殘餘的部分水分再度排出。想進一步降低濾餅的含水率,可選購帶隔膜壓榨的樱桃视频香蕉。隔膜壓榨樱桃视频香蕉從膜片結構上分為:組合式隔膜片壓榨樱桃视频香蕉、一體式隔膜板壓榨樱桃视频香蕉、嵌入式隔膜片壓榨樱桃视频香蕉;從膜片材質和壓榨壓力上分為:橡膠隔膜(耐油或耐酸)和高壓PP 隔膜(焊接式或嵌入組合式)。根據您的過濾和工藝要求而定,如貴單位需要這方麵的技術服務和支持,請與本公司聯係。如需在高溫狀況下進行懸浮液分離時,您可選用金屬濾板的樱桃视频香蕉。全機密封性好,拉板器運行部分均有護罩,既安全又防塵防腐。機器液壓壓緊,自動保壓,操作維護方便,運行安全可靠等特點。被廣泛用於化工、石油、醫藥、食品、印染、皮革、冶煉、紡織等企業的生產及汙水處理。



聲明一下:本網站上展示的產品僅用於工業上的汙水固、液分離,由於產品的專業性和專用性,每件商品的具體性能和使用方法均不盡相同,頁麵上的描述僅供參考,並不適用於每個具體商品,您在決定購買之前,務必事前(老板電話13732231928)溝通。謝謝您的理解和支持!(本站僅用於產品展示,不接受線上交易)




