
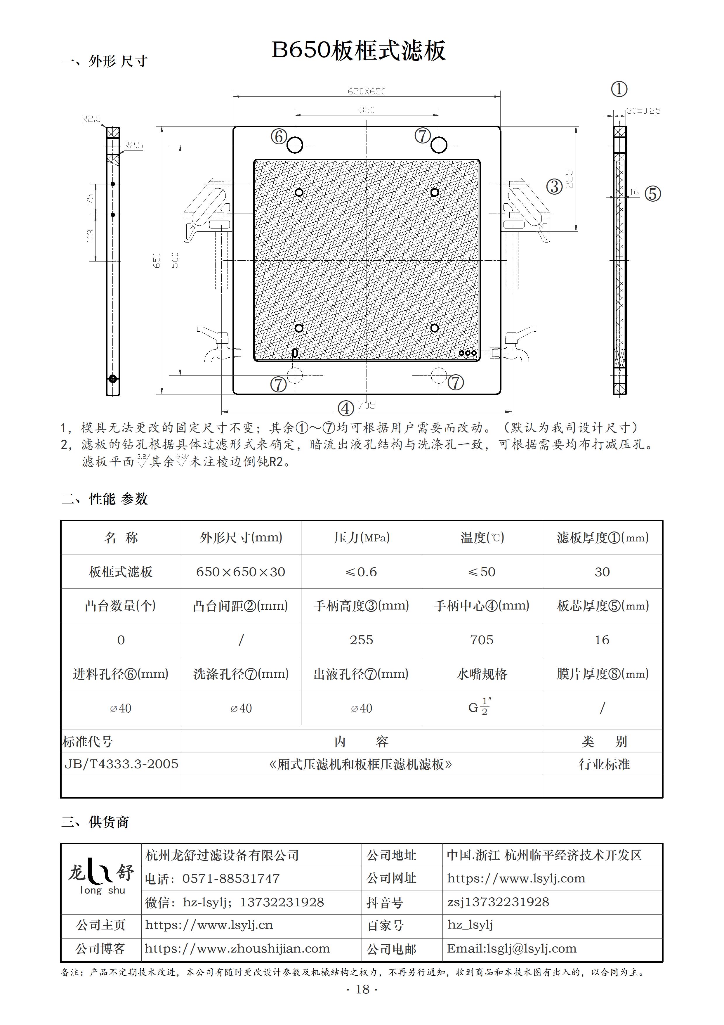
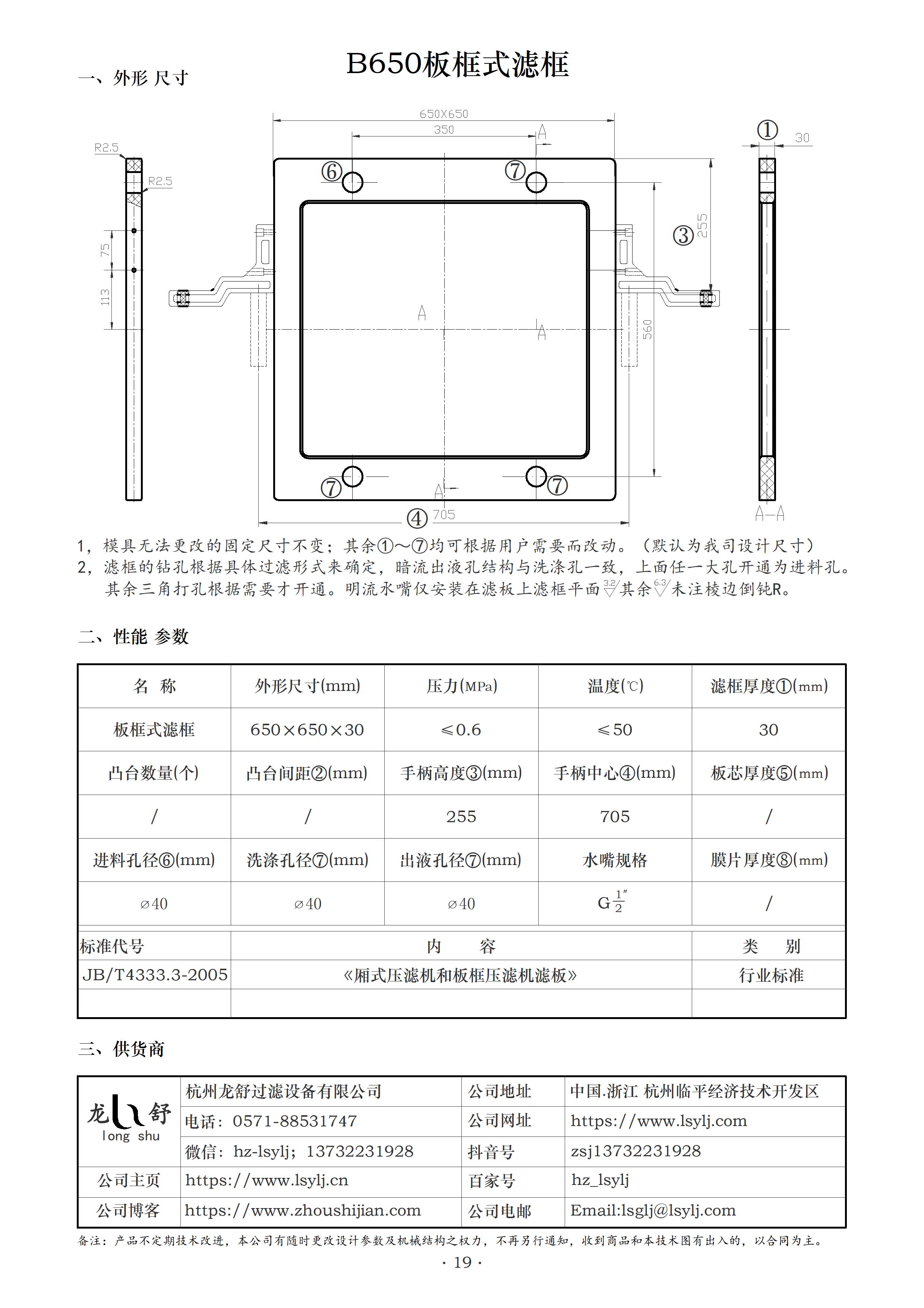
廂式板框式樱桃视频香蕉濾板
樱桃视频香蕉濾板是樱桃视频香蕉的主要過濾元件,濾板材質形式以及質量的不同,會對整機的過濾性能產生不同的影響。其精料徑,濾點的分布及其出水通道,對不同物料有不同的設計方案。本公司加工濾板材質為TPE彈性體及PP,使濾板既有橡膠濾板的彈性,又有PP濾板的韌性,剛性,使濾板壓緊時密封性能好。
樱桃视频香蕉濾板在設計方麵,吸取國外好的過濾特點,通過合理的濾點排布,過濾麵支撐點排布,流道設計,排液孔開孔角度等綜合性設計,使濾板過濾過程中進水流速度快,對濾板衝擊小,濾料分布均勻,從而增加過濾速度,增強了洗滌效果,延長了濾板使用壽命。


樱桃视频香蕉濾板材質選用優質的無堿玻纖PP,既有橡膠濾板的彈性,又具有pp濾板的韌性及剛性。經1600噸壓力模壓成形。在經壓板機校形,數控平麵及鑽孔修邊等工藝加工而成,濾板的平麵度達25UM一下,密封性能好,避免進料時的漏液現象。
樱桃视频香蕉濾板材質配方為改性優質增強PP,經模壓成型後經數控設備加工,表麵平整,使樱桃视频香蕉在過濾過程中不致 產生物料噴泄,濾板采用變截麵設計,過濾部分結構采用梅花狀錐形圓點結構,降低濾阻,過濾速度快,漏液出液順暢,


樱桃视频香蕉濾板的製作方法
新型所述的樱桃视频香蕉濾板,涉及一種催化劑生產設備上的輔助配件,具體為擠壓濾餅的樱桃视频香蕉濾板。在濾板主體上加工有連接孔、凸柱及通孔;其特征在於在濾板主體的擠壓麵上還加工有濾凸;濾凸以陣列形式均布於及擠壓麵上。濾凸分為圓頭錐形濾凸及圓柱形濾凸。圓頭錐形濾凸與圓柱形濾凸間隔布局。兩個相對的濾板主體的擠壓麵上的濾凸相對設置,為圓頭錐形濾凸對應圓柱形濾凸設置。圓頭錐形濾凸與圓柱形濾凸相對設置,圓頭錐形濾凸的長於圓柱形濾凸,一個圓頭錐形濾凸的長度小於兩個兩個圓柱形濾凸的長度。本實用新型具有結構新穎、加工簡便、使用方便、增加了生產效率、保持了產品質量等特點,故屬於一種集經濟性與實用性為一體的新型樱桃视频香蕉濾板。

在催化劑生產製造領域,經樱桃视频香蕉壓濾洗滌後的活性組分濾餅,通常用於同其他粉末助劑一起進行捏合,攪拌均勻後用於成型工藝。由於從樱桃视频香蕉卸下的濾餅經吹榨後濾餅含水率仍較高,在30 90 %,厚度通常在2?5cm,且較為瓷實,在捏合過程中往往存在大塊濾餅無法攪成小塊的情況存在,攪拌時間過長不但大塊濾餅不會破碎,反而滾成球狀,如此使得物料混合不均勻,對催化劑成品活性、強度等多項指標造成嚴重影響。針對上述現有技術中所存在的問題,研究設計一種新型的樱桃视频香蕉濾板,從而克服現有技術中所存在的問題。
鑒於上述現有技術中所存在的問題,本實用新型的目的是研究設計一種新型的樱桃视频香蕉濾板。用以在濾餅上擠壓出規則的、易分割的斷裂線,使濾餅易於破碎。


將壓濾後獲取的整塊濾餅破碎成小碎塊的樱桃视频香蕉濾板,在保有壓濾洗滌效果的同時,解決了人工破碎濾餅的不均一和效率低問題。本發明該濾板的濾凸由圓頭錐形濾凸和柱型濾凸間隔交錯分布構成,且吹榨一塊濾餅所使用的兩塊濾板,一麵濾板的圓頭錐形濾凸恰好同另一麵濾板的柱型濾凸位置相對應,圓頭錐形濾凸高於柱型濾凸,但長度適宜,不會頂到另一麵的濾板,以免對另一麵濾板造成損壞,這樣使得壓濾後的濾餅呈現均勻的點狀薄厚不一,薄處極易斷裂,在捏合過程中受到輕微碰撞用力即可破碎,易於進一步均勻攪拌捏合。
附:杭州樱桃在线视频樱桃视频香蕉“B315-X1500型廂式板框式樱桃视频香蕉“係列濾板的技術參數圖:

























































聲明一下:本網站上展示的產品僅用於工業上的汙水固、液分離,由於產品的專業性和專用性,每件商品的具體性能和使用方法均不盡相同,頁麵上的描述僅供參考,並不適用於每個具體商品,您在決定購買之前,務必事前(老板電話13732231928)溝通。謝謝您的理解和支持!(本站僅用於產品展示,不接受線上交易)

