
廂式、板框式樱桃视频香蕉是懸浮液固、液兩相分離的理想設備。該係列樱桃视频香蕉為手動(千斤頂)壓緊機型和液壓壓緊機型。濾板尺寸500mm×500mm,該係列全部為廂式濾板。壓緊方式:S 為手動絲杆型;J為手動千斤頂型;Y 為液壓型;見圖1-5, 機器結構簡便,操作易行。該係列樱桃视频香蕉主要規格有:手動型:XAMS4~14 / 500- U BK-Ⅰ; 千斤頂型:XAMJ4~14 / 500- U BK-Ⅰ;液壓型:XAMY4~14 / 500- U BK-Ⅰ; 自動型:XAMZ 4~14 / 500- U BK該係列樱桃视频香蕉機型較小,壓緊、卸料均可手動操作,也可根據用戶需要製成液壓壓緊和自動拉板。樱桃视频香蕉有明流、暗流之分,它們各自又有濾餅的可洗式和不可洗式。
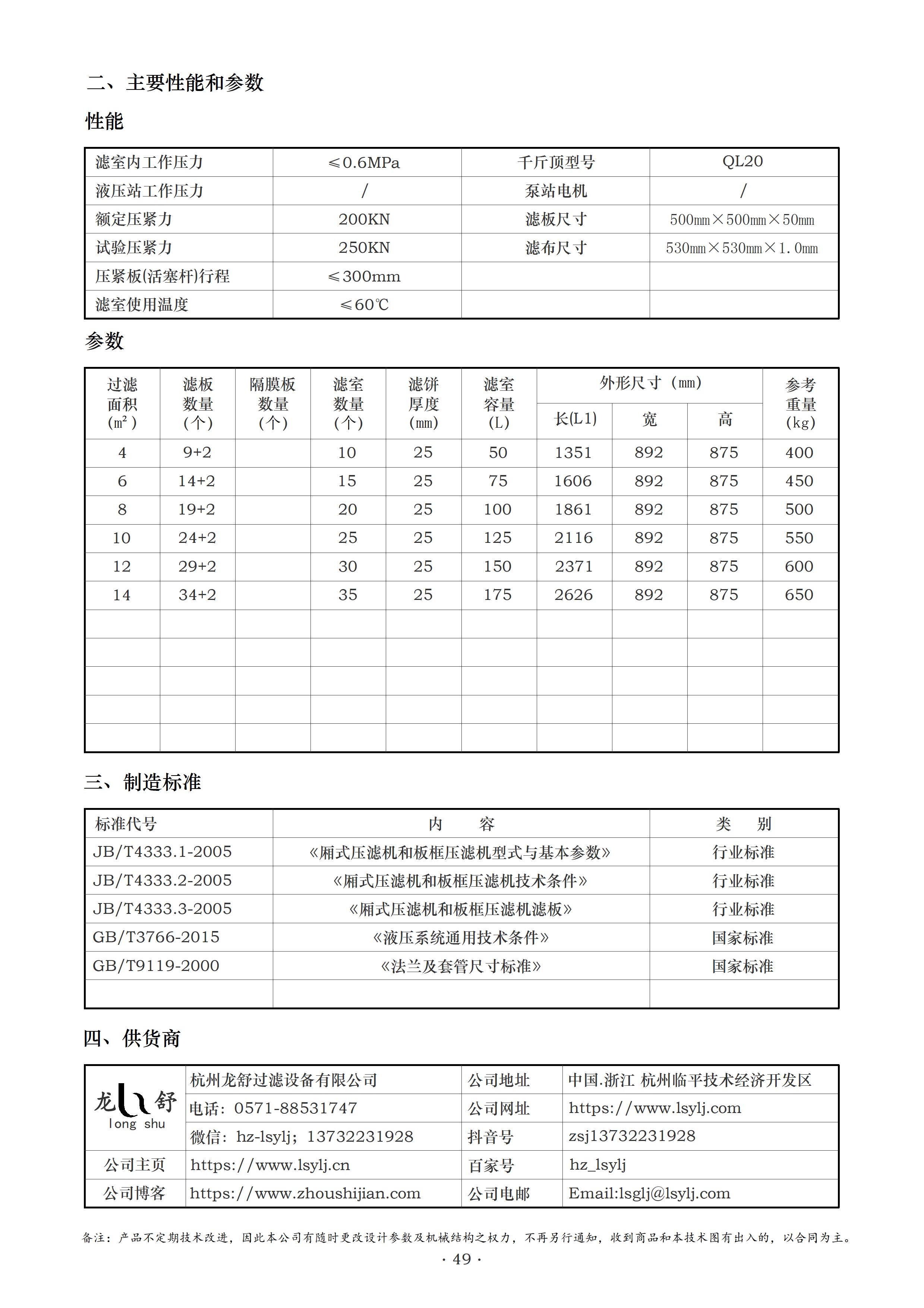
技術性能
過濾壓力 | ≤1.0 MPa |
(液壓工作壓力) | (14 MPa) |
壓緊力 | ≤200 KN |
壓緊板行程 | ≤300mm |
使用溫度 | ≤100℃ |
主要技術參數
過濾麵積 m2 | 濾板數量 塊 | 濾室 數量 (個) | 濾餅 厚度 mm | 濾 室 總容積 L | 外形尺寸 mm | 機器 質量 t | 進料管孔直徑 mm | 洗滌出液 管孔直徑 | ||
長 | 寬 | 高 | ||||||||
4 | 9 | 10 | 25 | 50 | 1465 | 890 | 875 | 0.60 | 50 | 30 |
6 | 14 | 15 | 75 | 1720 | 0.65 | |||||
8 | 19 | 20 | 100 | 1975 | 0.70 | |||||
10 | 24 | 25 | 125 | 2230 | 0.75 | |||||
12 | 30 | 150 | 2485 | 0.80 | ||||||
14 | 34 | 35 | 175 | 2740 | 0.85 | |||||
基礎尺寸
過濾麵積(m2) | 尺寸L1(mm) | 過濾麵積(m2)m2 | 尺寸L1(mm) |
4 | 1143 | 10 | 1908 |
6 | 1398 | 12 | 2163 |
8 | 1653 | 14 | 2418 |
以下是XSJ4~14/500-U係列小型廂式樱桃视频香蕉相關介紹:
一、結構設計:
濾板:濾板尺寸為500mm×500mm,材質為增強聚丙烯,具有化學性能穩定、耐腐蝕性能良好、無毒、無味、重量輕、操作強度低等特點。濾板表麵有麻點和凸台,用以支撐濾布,中心和邊角上有通孔,組裝後構成完整的通道,能通入懸浮液、洗滌水和引出濾液。
機架:采用高強度鋼結構,安全可靠,功能穩定,經久耐用,足以承受濾板重量及壓濾引起的強大壓力。
工作原理:在輸料泵的壓力作用下,將需要過濾的物料液體送進由濾板排列組成的廂形濾室,通過過濾介質(濾布)將固體和液體分離。固體顆粒被截留在濾布上,形成濾渣,直至充滿濾室形成濾餅。濾液穿過濾布並沿濾板溝槽流至下方出液孔通道,集中排出。過濾完畢,可通入清洗滌水洗滌濾渣,有時還通入壓縮空氣,除去剩餘的洗滌液。過濾結束後打開樱桃视频香蕉卸除濾餅,清洗濾布,重新壓緊板濾開始下一工作循環。
性能參數:
過濾麵積:4-14平方米。
過濾壓力:≤0.8MPa。
過濾溫度:<100℃。
濾室容量:隨著過濾麵積從4平方米到14平方米變化,濾室容量從50L到175L不等。
整機外形尺寸:長度從1808mm到3083mm不等,寬度為890mm,高度為875mm,整機質量從400kg到650kg。






二、特點優勢:操作簡便:采用手動千斤頂壓緊,千斤頂保壓,結構合理,操作維修簡便。過濾效果好:密封性能良好,進料壓力大(≤1MPa),能實現壓緊、進料、過濾、洗滌等各道工序,過濾效果好。適用性強:用於各種懸浮液的固液分離,適用範圍廣,可應用於煤炭、石油、化工、冶金、醫藥、輕工、食品、環保、紡織等工業。


本網站上展示的產品僅用於工業上的汙水固、液分離,由於產品的專業性和專用性,每件商品的具體性能和使用方法均不盡相同,頁麵上的描述僅供參考,並不適用於每個具體商品,您在決定購買之前,務必事前(老板電話13732231928)溝通。謝謝您的理解和支持!(本站僅用於產品展示,不接受線上交易)




